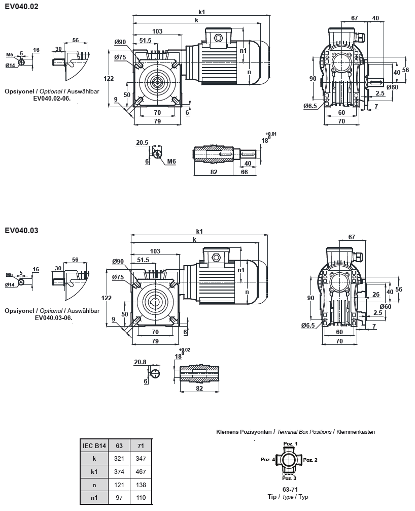
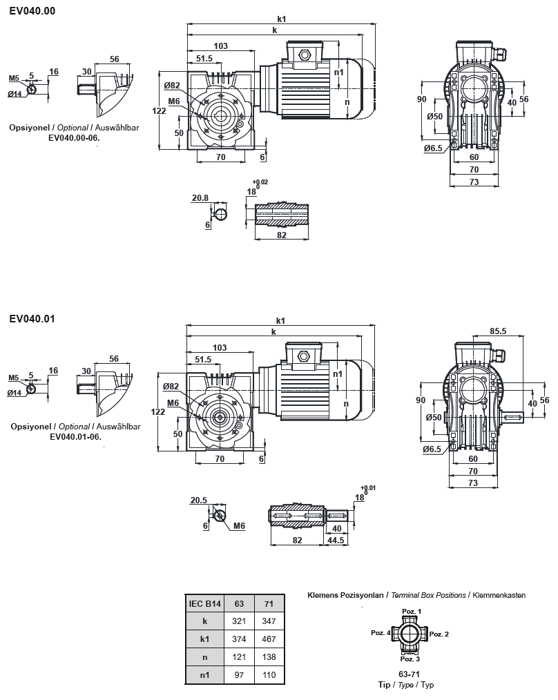
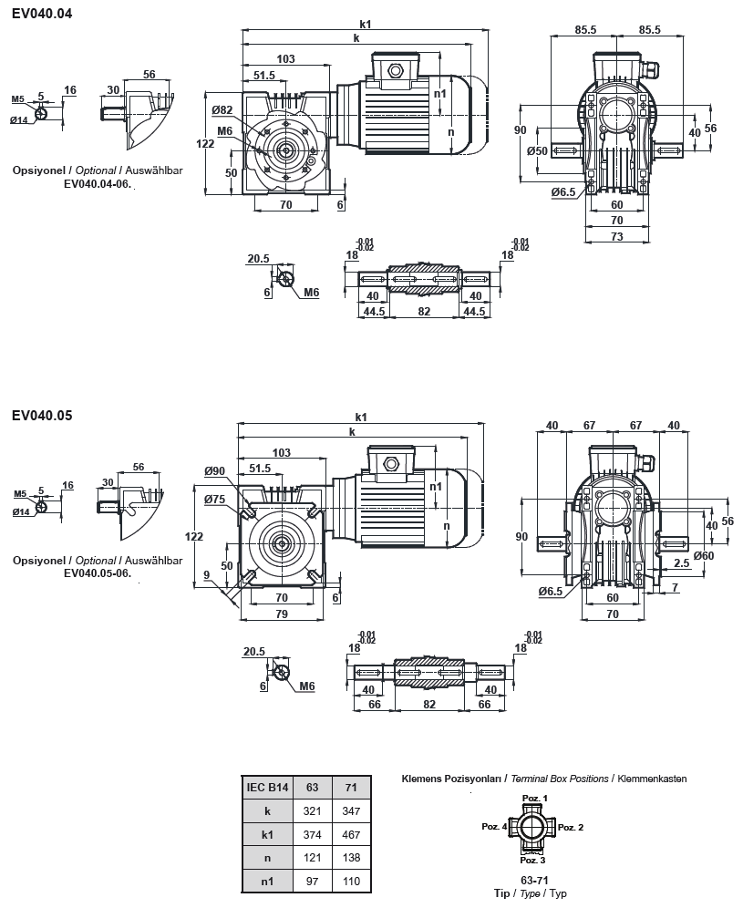
Червячный мотор-редуктор EV040 (EN040)

 

Назад

Червячный мотор-редуктор EV040 (EN040)

Назад

 
© 2014 Редукторы, мотор-редукторы, устройства плавного пуска, преобразователи частоты