
Цилиндрические одноступенчатые редукторы серии ЦУ-100, ЦУ-160, ЦУ-200, ЦУ-250 служат для преобразования механических характеристик таких как частоты вращения и крутящий момент. Редукторы могут применятся как часть привода промышленной установки или как независимое звено. Редуктор должен эксплуатироваться строго в горизонтальном положении, а передача вращения происходит между параллельными валами. Единственная цилиндрическая пара позволяет понижать угловую скорость в пределах 2 – 6,3 раза. Валы в зависимости от варианта сборки могут смотреть как в одну, так и в разные стороны.
Технические параметры
ЦУ-100
ЦУ-160
ЦУ-200
ЦУ-250
Расшифровка обозначения на шильдике цилиндрического редуктора
Редуктор ЦУ-160-2-11-ЦУ3
1. Типоразмер редуктора или максимальный крутящий момент,
2. Передаточное отношение,
3. Тип сборки (расположение входного и выходного валов)
4. Тип выходного вала (конус или цилиндр).
Условия применения одноступенчатых цилиндрических редукторов:
-
нагрузка постоянная и переменная, одного направления и реверсивная;
-
работа постоянная или с периодическими остановками;
-
вращение валов в любую сторону
-
частота вращения входного вала не должна превышать 1800 об/мин;
-
атмосфера типов I и II по ГОСТ 15150-69 при запыленности воздуха не более 10 мг/м3;
-
климатические исполнения У, Т ( для категории размещения 1...3 ) и климатические исполнения УХЛ и О ( для категорий размещения 4 ) по ГОСТ 15150-69.


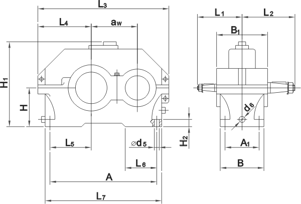
Габаритные и присоединительные размеры ЦУ-100, ЦУ-160, ЦУ-200, ЦУ-250
Типоразмер редуктора |
аw |
А |
A1 |
В |
B1 |
H |
H1 |
H2 |
L1 |
L2 |
L3 |
L4 |
L5 |
L6 |
ЦУ-100 |
100 |
224 |
95 |
132 |
140 |
112 |
224 |
22 |
136 |
155 |
315 |
132 |
85 |
90 |
ЦУ-160 |
160 |
355 |
125 |
175 |
185 |
170 |
335 |
28 |
218 |
218 |
475 |
195 |
136 |
125 |
ЦУ-200 |
200 |
437 |
136 |
200 |
212 |
212 |
425 |
36 |
230 |
265 |
580 |
236 |
165 |
160 |
ЦУ-250 |
250 |
545 |
185 |
250 |
265 |
265 |
530 |
40 |
280 |
315 |
710 |
290 |
212 |
190 |
Типоразмер редуктора |
L7 |
b1 |
b2 |
d1 |
d2 |
d3 |
d4 |
d5 |
d6 |
d7 |
d8 |
h1 |
h2 |
ЦУ-100 |
265 |
8 |
10 |
25 |
35 |
M16x1,5 |
М20х1,5 |
15 |
M24x1,5 |
40 |
45 |
7 |
8 |
ЦУ-160 |
412 |
14 |
16 |
45 |
55 |
М30х2,0 |
МЗ6х3,0 |
24 |
M24x1,5 |
63 |
75 |
9 |
10 |
ЦУ-200 |
500 |
16 |
20 |
55 |
70 |
М36х3,0 |
М48х3,0 |
24 |
M24x1,5 |
75 |
100 |
10 |
12 |
ЦУ-250 |
615 |
20 |
25 |
70 |
90 |
М48х3,0 |
М64х4,0 |
28 |
М24х1,5 |
100 |
130 |
12 |
14 |
Габаритные и присоединительные размеры ЦУ-100, ЦУ-160, ЦУ-200, ЦУ-250

Варианты сборки редукторов типа 1ЦУ
Типоразмер редуктора |
l1 |
l2 |
l3 |
l4 |
t1 |
t2 |
ЦУ-100 |
42 |
58 |
60 |
80 |
4,0 |
5,0 |
ЦУ-160 |
82 |
82 |
110 |
110 |
5,5 |
6,0 |
ЦУ-200 |
82 |
105 |
110 |
140 |
6,0 |
7,5 |
ЦУ-250 |
105 |
130 |
140 |
170 |
7,5 |
9,0 |
Типоразмер редуктора |
Номинальные передаточные числа |
2 |
2,5 |
3,15 |
4 |
5 |
6,3 |
ЦУ-100 |
Не лимитируется |
ЦУ-160 |
ЦУ-200 |
80 |
74 |
68 |
60 |
54 |
47 |
ЦУ-250 |
127 |
118 |
108 |
97 |
87 |
76 |
Термическая мощность, кВт.
Технические характеристики редукторов типа ЦУ-100, ЦУ-160, ЦУ-200, ЦУ-250
Типоразмер редуктора |
Номинальный вращающий момент на выходном валу Мт , Н*м |
Допускаемая радиальная нагрузка, Н |
Объем заливаемого масла, л |
Масса кг |
на входном валу Fвх |
на выходном валу Fвых |
ЦУ-100 |
250 |
500 |
2000 |
1 |
27 |
ЦУ-160 |
1000 |
1000 |
4000 |
2 |
75 |
ЦУ-200 |
2000 |
2000 |
5600 |
4 |
135 |
ЦУ-250 |
4000 |
3000 |
8000 |
7,5 |
250 |
Постоянным клиентам скидка на редукторы ЦУ-100, ЦУ-160, ЦУ-200, ЦУ-250 до 20% !!!!!
|