Система обозначения червячных мотор-редукторов серии MU
MU |
40 |
– 10 |
– 140 |
– F |
– B3 |
– 0,55 |
– 32 |
– 380 |
– 50 |
(4P) |
1 |
2 |
3 |
4 |
5 |
6 |
7 |
8 |
9 |
10 |
11 |
1 – Cерия редуктора (MI,MU )
2 – Межосевое расстояние, мм (30, 40, 50, 63, 75, 90, 110, 130, 150, 175)
3 – Номинальное передаточное отношение редуктора
4 – Число оборотов выходного вала , об/мин
5 – Фланец на выходном валу редуктора (F, FBR, FBM, FBML)
6 – Монтажное положение (В3, В6, В7, В8, V5, V6)
7 – Мощность электродвигателя , кВт
8 – Крутящий момент на выходном валу, Nm
9 – Напряжение питания электродвигателя, V
10 – Частота питающей сети, Гц
11 – Количество полюсов электродвигателя (2, 4, 6)
Габаритные и присоединительные размеры
MU30-размеры
MU40-размеры
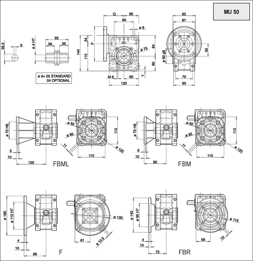
MU50-размеры
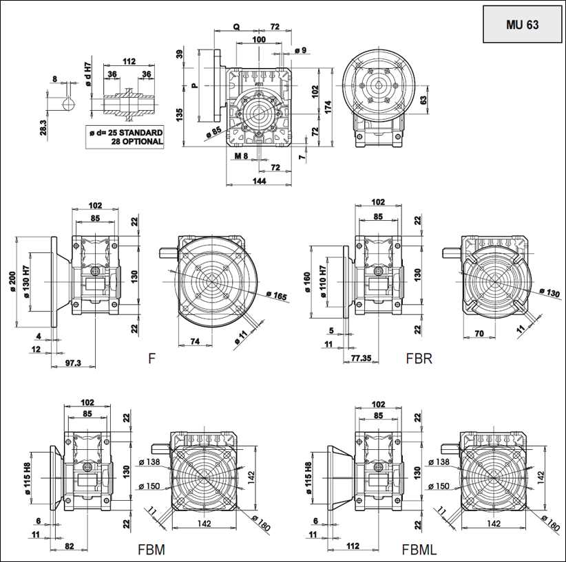
MU63-размеры
MU75-размеры
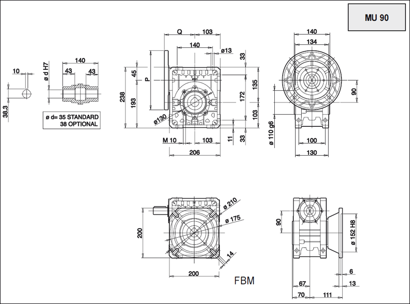
MU90-размеры
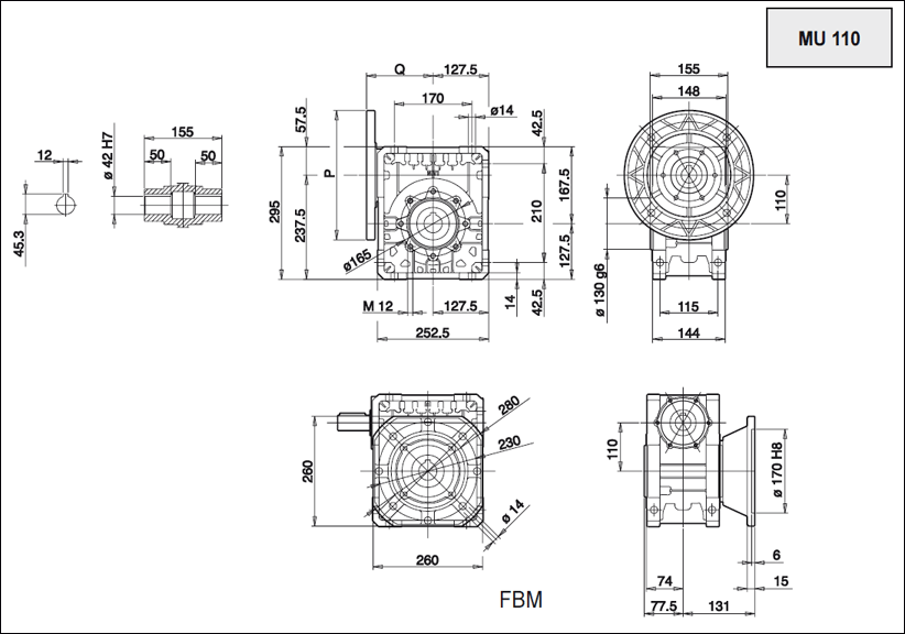
MU110-размеры
Реактивная штанга, выходной вал - размеры
Монтажные положения и количество масла, заливаемого в мотор-редукторы MU
Вес червячных редукторов серии MU, кг
Выходные обороты и мощность электродвигателей (кВт) pdf.
MU30-размеры

MU40-размеры
Назад

MU50-размеры
Назад

MU63-размеры
Назад

MU75-размеры
Назад

MU90-размеры
Назад

MU110-размеры
Назад

Реактивная штанга, выходной вал
Назад

|
A |
A1 |
B |
B1 |
C |
C1 |
D h7 |
d |
L |
b1 |
t1 |
MU30 |
28,5 |
57 |
35 |
35 |
30 |
30 |
14 |
M5 |
127 |
5 |
16 |
MU40 |
39 |
78 |
43 |
43 |
40 |
40 |
18 |
M5 |
164 |
6 |
20,5 |
MU50 |
46 |
92 |
53,5 |
53,5 |
50 |
50 |
25 |
M8 |
199 |
8 |
28 |
MU63 |
56 |
112 |
65 |
53,5 |
60 |
50 |
25 |
M8 |
219 |
8 |
28 |
MU75 |
60 |
120 |
70 |
63,5 |
60 |
60 |
28 |
M8 |
247 |
8 |
31 |
MU90 |
70 |
140 |
65 |
84,5 |
60 |
80 |
35 |
M8 |
309 |
8 |
38 |
MU110 |
77,5 |
155 |
126 |
84,5 |
110 |
80 |
52 |
M10 |
324 |
12 |
45 |

|
A |
B |
C |
D |
R |
MU30 |
85 |
26,5 |
12,5 |
8 |
12,4 |
MU40 |
100 |
29,5 |
20 |
10 |
30 |
MU50 |
100 |
35,5 |
20 |
10 |
36 |
MU63 |
150 |
46 |
20 |
10 |
30 |
MU75 |
200 |
47,5 |
25 |
14 |
37,5 |
MU90 |
200 |
57,5 |
25 |
14 |
37,5 |
MU110 |
250 |
64,5 |
25 |
14 |
37,5 |
Назад
Монтажные положения и количество масла, заливаемого в мотор-редукторы MU

Положение клемной коробки эл.двигателя

Назад
Вес червячных редукторов серии MU, кг
MU30 |
0,9 |
MU40 |
2 |
MU50 |
3 |
MU63 |
5 |
MU75 |
8 |
MU90 |
13 |
MU110 |
19 |
|