Вернуться в общее описание
Редукторы NMRV имеют следующие типоразмеры:
nmrv 030, nmrv 040, nmrv 050, nmrv 063, nmrv 075, nmrv 090, nmrv 110, nmrv 130, nmrv 150
- Типоразмер - 040 - изготавливается из алюминиевого сплава, литого под давлением;
- Нагрузочная способность в соответствии с: ISO 14521, ISO 6336, DIN 3990, DIN 743, ISO 281, DIN 3996, BS 721, AGMA 6034;
- Передаточное отношение - 5 - 100;
- Мощность электродвигателя - 0,06 - 0,75 квт;
- Момент на выходном валу - 1,8 - 53 Нм;
- Окраска редуктора синяя - RAL 5010.
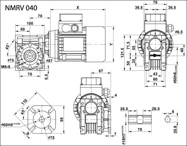
Габаритные и присоединительные размеры NMRV 040

Выходные обороты и мощность электродвигателя
Мощность электродвигателя в кВт |
Скорость вращения выходного вала в об/мин |
Момент на выходном валу в Нм |
Сервис-фактор s/f |
Передаточное отношение - i |
Габарит и количество полюсов электродвигателя |
Максимальная радиальная нагрузка на выходной вал |
0,06 |
18.0 |
18 |
2.3 |
50 |
63А6 |
2868 |
15.0 |
21 |
1.9 |
60 |
3047 |
11.3 |
24 |
1.4 |
80 |
3354 |
9.0 |
27 |
1.2 |
100 |
3490 |
0,09 |
28.0 |
19 |
2.0 |
50 |
56B4 |
2475 |
23.3 |
21 |
1.7 |
60 |
2630 |
17.5 |
26 |
1.3 |
80 |
2895 |
14.0 |
29 |
1.0 |
100 |
3118 |
30.0 |
19 |
2.6 |
30 |
63B6 |
2419 |
22.5 |
24 |
1.9 |
40 |
2662 |
18.0 |
27 |
1.5 |
50 |
2868 |
15.0 |
31 |
1.3 |
60 |
3047 |
11.3 |
37 |
1.0 |
80 |
3354 |
9.0 |
41 |
0.8 |
100 |
3490 |
0,12 |
46.7 |
17 |
2.6 |
30 |
63A4 |
2087 |
35.0 |
21 |
1.9 |
40 |
2298 |
28.0 |
25 |
1.5 |
50 |
2475 |
23.3 |
28 |
1.3 |
60 |
2630 |
17.5 |
34 |
1.0 |
80 |
2895 |
14.0 |
38 |
0.8 |
100 |
3118 |
30.0 |
25 |
1.9 |
30 |
63C6 |
2419 |
22.5 |
32 |
1.4 |
40 |
2662 |
18.0 |
36 |
1.2 |
50 |
2868 |
15.0 |
41 |
0.9 |
60 |
3047 |
0,18 |
93.3 |
14 |
2.4 |
30 |
63A2 |
1657 |
70.0 |
18 |
1.8 |
40 |
1824 |
56.0 |
21 |
1.4 |
50 |
1964 |
70.0 |
19 |
2.0 |
20 |
63B4 |
1824 |
56.0 |
23 |
1.7 |
25 |
1964 |
46.7 |
26 |
1.7 |
30 |
2087 |
35.0 |
32 |
1.3 |
40 |
2298 |
28.0 |
38 |
1.0 |
50 |
2475 |
23.3 |
43 |
0.8 |
60 |
2630 |
45.0 |
29 |
1.5 |
20 |
71A6 |
2113 |
36.0 |
34 |
1.3 |
25 |
2276 |
30.0 |
38 |
1.3 |
30 |
2419 |
22.5 |
47 |
1.0 |
40 |
2662 |
0,25 |
280.0 |
8 |
4.5 |
5 |
71A4 |
1149 |
186.7 |
11 |
3.6 |
7.5 |
1315 |
140.0 |
14 |
2.8 |
10 |
1447 |
93.3 |
21 |
1.9 |
15 |
1657 |
70.0 |
27 |
1.5 |
20 |
1824 |
56.0 |
32 |
1.2 |
25 |
1964 |
46.7 |
36 |
1.3 |
30 |
2087 |
35.0 |
44 |
0.9 |
40 |
2298 |
180.0 |
12 |
3.5 |
5 |
71B6 |
1331 |
120.0 |
17 |
2.6 |
7.5 |
1524 |
90.0 |
22 |
2.0 |
10 |
1677 |
60.0 |
31 |
1.4 |
15 |
1920 |
45.0 |
40 |
1.1 |
20 |
2113 |
36.0 |
48 |
0.9 |
25 |
2276 |
30.0 |
53 |
0.9 |
30 |
2419 |
0,37 |
560.0 |
5.7 |
4.2 |
5 |
71A2 |
912 |
373.3 |
8.4 |
3.3 |
7.5 |
1044 |
280.0 |
11 |
2.6 |
10 |
1149 |
186.7 |
16 |
1.9 |
15 |
1315 |
140.0 |
21 |
1.4 |
20 |
1447 |
112.0 |
25 |
1.1 |
25 |
1559 |
280.0 |
11 |
3.0 |
5 |
71 B4 |
1149 |
186.7 |
16 |
2.4 |
7.5 |
1315 |
140.0 |
21 |
1.9 |
10 |
1447 |
93.3 |
31 |
1.3 |
15 |
1657 |
70.0 |
39 |
1.0 |
20 |
1824 |
56.0 |
47 |
0.8 |
25 |
1964 |
46.7 |
53 |
0.8 |
30 |
2087 |
0,55 |
560.0 |
8.4 |
2.8 |
5 |
71B2 |
912 |
373.3 |
13 |
2.2 |
7.5 |
1044 |
280.0 |
17 |
1.8 |
10 |
1149 |
186.7 |
24 |
1.3 |
15 |
1315 |
140.0 |
31 |
0.9 |
20 |
1447 |
112.0 |
37 |
0.8 |
25 |
1559 |
280.0 |
17 |
2.0 |
5 |
80A4 |
1149 |
186.7 |
24 |
1.6 |
7.5 |
1315 |
140.0 |
32 |
1.3 |
10 |
1447 |
93.3 |
46 |
0.9 |
15 |
1657 |
0,75 |
560.0 |
12 |
2.1 |
5 |
80A2 |
912 |
373.3 |
17 |
1.6 |
7.5 |
1044 |
280.0 |
23 |
1.3 |
10 |
1149 |
186.7 |
32 |
1.0 |
15 |
1315 |
Пример заказа редуктора:
NMRV - 040 - 60 - 24 - 0,06 - B3
NMRV - модель червячного редуктора
040 - габарит межцентровое расстояние в мм
60 - передаточное число
28 - скорость вращения выходного вала, об/мин
0,06 - мощность электродвигателя, кВт
B3 - расположение в пространстве
|